博问十

  • 网站首页
  • 百科知识
  • 百科问答
  • 生活百科
位置:首页> 百科问答>

不锈钢弯头规格尺寸表

时间:2026-04-11 23:01:00 浏览:828次

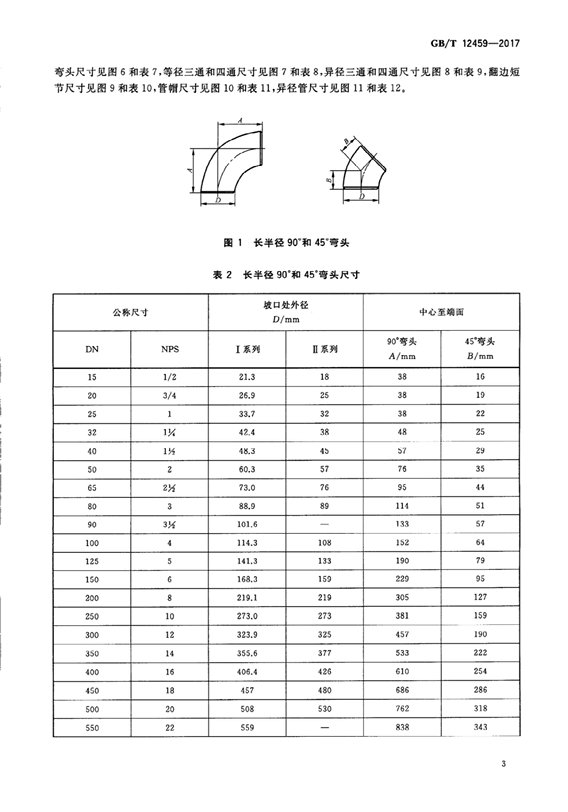
不锈钢弯头规格尺寸表应当根据国家标准规范,

也就是应当按照GB/T 12459-2017,

长半径45度和90度见表2,短半径见表5,异径弯头见表3。

不锈钢弯头规格尺寸表

不锈钢弯头规格尺寸表

不锈钢弯头规格尺寸表

不锈钢弯头规格尺寸表

标签:弯头,不锈钢,规格

相关文章

不锈钢镀锌

不锈钢镀锌

不锈钢拉闸门价格

不锈钢拉闸门价格

不锈钢信报箱厂家电话

不锈钢信报箱厂家电话

  • 1 不锈钢中什么元素使其不易生锈 811 阅读
  • 2 不锈钢字是怎么制作的? 865 阅读
  • 3 不锈钢防盗门多少钱 怎样购买不锈钢防盗门 891 阅读
  • 4 不锈钢浴室柜好不好啊??? 882 阅读
  • 5 不锈钢波纹软管的价格是多少 这种软管的特点都有哪些 840 阅读

热门文章

  • 茅台酒价格表一览大全 茅台酒价格表查询

    茅台酒价格表一览大全 茅台酒价格表查询

    02-04 1041次
  • 江苏省历届纪委书记

    江苏省历届纪委书记

    02-02 1038次
  • 葫芦娃七兄弟的名字分别叫什么

    葫芦娃七兄弟的名字分别叫什么

    02-08 1020次
  • 男明星排行榜中国

    男明星排行榜中国

    02-08 987次
  • 回墨印章怎样加印油

    回墨印章怎样加印油

    02-03 987次
  • 为什么郑爽18岁就大学毕业了?

    为什么郑爽18岁就大学毕业了?

    12-17 983次

推荐文章

点亮小灯泡的步骤

点亮小灯泡的步骤

百度推广怎么注册

百度推广怎么注册

大白菜如何安装系统

大白菜如何安装系统

天翼宽带家庭网关怎么设置路由器?

天翼宽带家庭网关怎么设置路由器?

地球上那些资源是可再生,不可再生的?

地球上那些资源是可再生,不可再生的?

名字里的空格怎么打出来的?

名字里的空格怎么打出来的?

宁国禅寺的现任方丈

宁国禅寺的现任方丈

网络电台和广播电台在线收听是一样的么?

网络电台和广播电台在线收听是一样的么?

什么是CC攻击?

什么是CC攻击?

大林寺桃花的诗意是什么?

大林寺桃花的诗意是什么?

博问十,是权威百科知识平台,涵盖科学、历史、生活、儿童启蒙等全领域内容!提供精准科普解读与详细知识查询,满足学习、日常解惑、知识积累需求,是靠谱的专属知识宝库!

CopyRight © 2025 网站地图 - 闽ICP备2025116981号-4 - 联系邮箱:1465333496@qq.com